Техническа характеристика
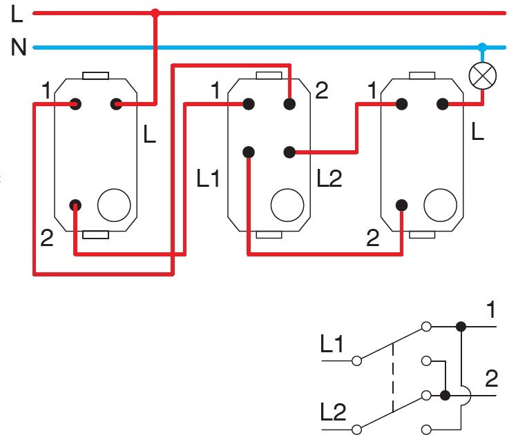
Продукт : Кръстат ключ (кръстосан превключвател)
Серия : Edge TEM
Цвят : Хром (метално покритие)
Номинален ток : 16A
Номинално напрежение : 250V AC
Тип ключ : Кръстат – използва се за управление на едно осветително тяло от три или повече места (междинен превключвател между два девиаторни)
Монтаж : Вграден
Материал : Удароустойчив термопласт, хромиран финиш
Съвместимост : Подходящ за монтаж с рамки от серия Edge TEM
Стандарти : Съответствия на европейски стандарти за електроинсталационни изделия
Производител : TEM Čatež, Словения